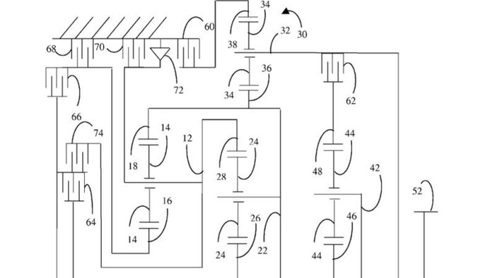
Dilansir laman Autoblog, Senin (13/4/2015) bukan transmisi otomatis 7, 8, 9 atau 10 percepatan, pabrikan yang bermarkas di Dearborn, Amerika itu tengah mematenkan transmisi otomatis 11 percepatan.
Dalam pengajuan hak paten itu tertulis kalau sistem transmisinya menghasilkan 11 rasio percepatan maju dan 1 rasio percepatan mundur.
SCROLL TO CONTINUE WITH CONTENT
Nantinya, sistem transmisi otomatis 11 percepatan ini akan menemani sistem transmisi otomatis 10 percepatan yang dimiliki Ford pada pikap Ford 150 Raptor yang akan diluncurkan tahun 2017 mendatang.
(ady/ddn)












































Komentar Terbanyak
Pabrik di RI Bisa Produksi 400 Ribu Pick Up, Nggak Perlu Impor untuk Kopdes
Biar Dapet Rp 10 Juta/Bulan, Ojol Harus Ambil Berapa Orderan?
Perpanjang STNK Tahunan dan 5 Tahunan, Duitnya Buat Apa?